服务热线:
15066501213
联系人:夏经理
联系电话:15066501213 400-0088-096
邮箱:xiawei@dzxp.com
地址:山东省德州市运河经济开发区新区服务管理办公室盛业路66号
详细介绍
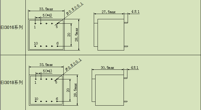
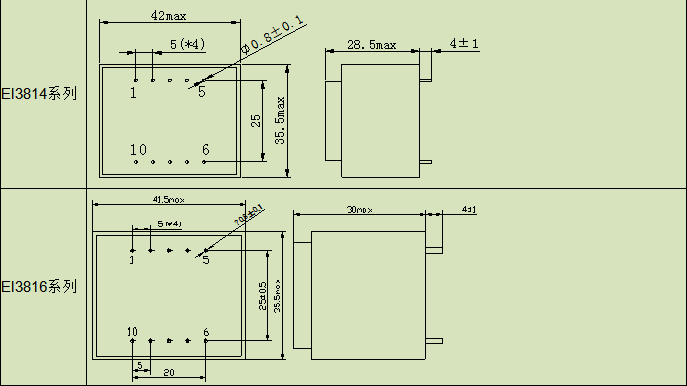
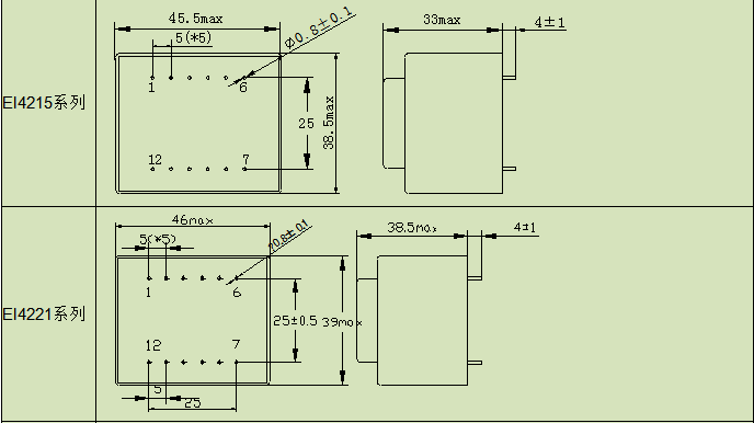
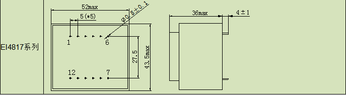
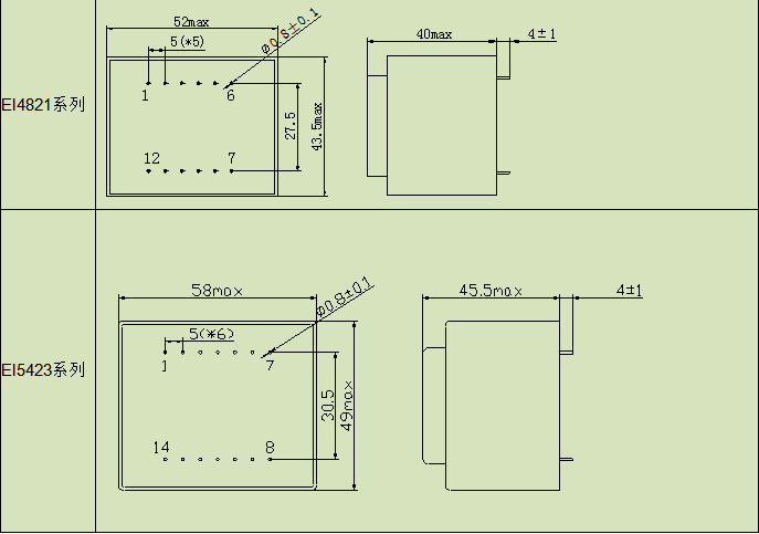
EI3011 -EI5423小型电抗器
● 电感量
● 叠加电流
● 优良的温度波动电阻特性
● 高电气安 全和长寿命的特点
● 高绝缘电阻
● 操作温度范围:0℃to +70℃
● 贮存温度范围:-40℃to +120℃
● 100 % 生产测试
电气原理图SCHEMATIC DIAGRAM
产品参数ELECTRONIC SPECIFICATIONS:





